Přidat do oblíbených
Mapa stránek
Můj účet
Registrovat
Zapomenuté heslo
Následující naskladnění:
19.1.2026
Obchodní podmínky
Termín dodání
Posíláme do celé EU
Kontakt
Možnosti platby
Escape offroad servisy
0
položek
0
Kč
s DPH
Úvodní stránka
JEEP
GRAND CHEROKEE WJ WG (99-04)
Náhradní díly
Vodící rameno,pouzdro vodícího ramene
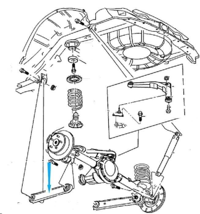
Vodicí rameno spodní,zadní nápravy,včetně silentbloků 52088355ab Jeep Grand Cherokee WJ
52088355ab
Kód:
SH
Výrobce:
Dodání 5-7 pracovních dnů
Dostupnost:
999
Kč
/ ks
Cena s DPH:
Množství:
ks
Doporučit známému
Tisk s náhledem
Popis: Vodicí rameno spodní,zadní nápravy,včetně silentbloků 52088355ab Jeep Grand Cherokee WJ
Popis:
vodicí rameno spodní zadní nápravy včetně silentbloků
91024, 240637-5, 52088355ab
Jeep
Grand Cherokee WJ
1999-2004
Komentář nebo dotaz
Jméno a příjmení:
E-mail:
Zde můžete položit dotaz nebo komentář k výrobku.
Vložte kód z obrázku.:
KATEGORIE
BEADLOCK
BAZAR
OBLEČENÍ ZÁBAVA POUKAZY
DODGE
JEEP
CHEROKEE XJ (84-01)
GRAND CHEROKEE ZJ (93-98)
GRAND CHEROKEE WJ WG (99-04)
Náhradní díly
Exteriér
Interiérové doplňky
Kola a příslušenství
Lampy a světla
Navijáky a příslušenství
Olejové tlumiče
Plynové tlumiče
Pružiny podvozku
Podvozkové sady
Ramena podvozku
Panhardské tyče
Převodovka a pohon
Stabilizátory podvozku
Tlumiče řízení
Pevnostní nárazníky
GRAND CHEROKEE WK WH (05-10)
GRAND CHEROKEE WL WK2 (2011-)
COMMANDER XK XH (05-11)
LIBERTY KJ (02-11)
JEEP CJ (76-86)
RENEGADE (15-18)
PATRIOT (08-)
WRANGLER YJ (87-96)
WRANGLER TJ (97-06)
WRANGLER JK 2 dvéřové (07-16)
WRANGLER JK 4 dvéřové (07-16)
WRANGLER JL (18-)
COMPASS MK (07-11)
LAND ROVER
NISSAN
TOYOTA
ALU CHLADIČE
BATERIE OPTIMA
DISKY OFFROAD
DISTANČNÍ PODLOŽKY
EXPEDIČNÍ VÝBAVA
KINETICKÁ LANA A KURTY
KOMPRESORY
KRYTY KOL
KRYTY PODVOZKU
KURTY
LEMY
NÁHRADNÍ DÍLY
OFFROAD LAMPY
OCHRANNÉ BARVY
NAVIJÁKY
PLOTNY NA NAVIJÁK
PEVNOSTNÍ NÁRAZNÍKY
ZÁSUVKOVÉ SYSTÉMY
EXPEDIČNÍ ZAHRÁDKY
PODVOZKY
PŘEVODY DO DIFERENCIÁLU
RAMENA, PANHARDKY
SILENTBLOKY
ŠNORCHLY
TLUMIČE ŘÍZENÍ
UZÁVĚRKY - ARB
UZÁVĚRKY - ESCAPE
VOLNOBĚŽKY
VYBAVENÍ DO VOZU A DÍLNY
ZVEDÁKY HI LIFT
Vložte kód z obrázku
Máte nápad, připomínku či vzkaz? Napište nám!
Máte nápad, připomínku či vzkaz? Napište nám!
Vložte kód z obrázku
Vložte kód z obrázku
Platební metody
Vážení zákazníci, připravili jsme pro Vás přehled platebních metod, kterými můžete platit v našem e-shopu...
Všude
V kódu
V názvu
Rozšířené hledání
FastCentrik® - Pronájem e-shopu
Tyto stránky používají cookies. Tím, že na stránkách setrváte, souhlasíte s jejich používáním.
Souhlasím
OK
JavaScript musí být povolen