položek
s DPH
  • Zobrazit

Naviják Come Up Seal Gen 2 DS-9,5 12V

6802Kód:

COME UP

Výrobce:
25 999  / ksCena s DPH:
Množství:
ks
Naviják Come Up Seal Gen 2 DS-9,5 12V

Popis: Naviják Come Up Seal Gen 2 DS-9,5 12V

  • Všechny komponenty navijáku jsou uzavřené.
  • Vysoce výkonný Heavy Duty motor dodává navijáku COME UP vysoký točivý moment a rychlejší rychlost lana.
  • Tepelný spínač s kontrolkou přehřátí motoru.
  • 3 stupňová planetová převodovka přináší nejvíce spolehlivý a odolný výkon navijáku v drsných podmínkách.
  • Patentovaná automatická CBS (Cone Brake Structure), drží pevně v plném zatížení a zajišťuje snadnou údržbu. Specifická konstrukce brzdy (CBS) vně bubnu je ideální pro tepelně citlivé syntetické lano.
  • Uzavřené relé zajistí ochranu proti vodě.
  • Teplotní čidlo proti přetížení.


Specifikace / Čísla
  • Objednací číslo: PN 295950
  • Jmenovitý tah: 4309 kg / 9500 liber 
  • Motor:  3730 w / 5.0 hp 12V 
  • Převodovka:  3-stupňová planetová 159: 1                         
  • Brake (mimo bubnen):  Automatická, CBS (Cone Brake Structure) 
  • Naviják konstrukce:  litý hliník s ocelovým bubnem
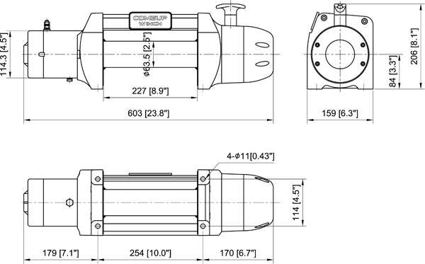
  • Velikost bubnu: 63.5 x 227 x 273 mm (2,5" x 8,9" x 10,7")
  • Ovládání: Vodotěsné dálkové ovládání s LED indikátorem tepelného přetížení
  • Lano:  pozinkované A7 x 19
  • Velikost lana:  8,7 mm x 30,5 m (11/32"x 100')
  • Montážní otvory:  254 x 114 mm (10 "x 4.5")
  • Naviják hmotnost (včetně lana):  34,5 kg / 76 liber
  • Hrubá hmotnost:  48 kg / 107 liber
  • Box rozměr, (L x D x H):  682 x 209 x 430 mm (26,8" x 8,2" x 16,9")

Rychlost lana a Amp. Draw (1 st vrstva lana na bubnu): 

Zatížení, 
kg / lb
Rychlost,
MPM / fpm
Amp, Draw,  A 
12V
Naprázdno
19 / 62
60
907 / 2,000
4.7 / 15.2
115
1,814 / 4,000
3.5 / 11.5
210
2,722 / 6,000
2.8 / 9.2
245
3,629 / 8,000
2.3 / 7.6
280
4,309 / 9,500
2.1 / 6.8
380

Kapacita:

Vrstva Rope
Síla navijáku, kg / lb
Celkem lana na bubnu, m / ft
st
4309/9500
5,8 / 19,1
nd
3472/7655
13,1 / 42,9
rd
2908/6410
21,7 / 71,2
th
2501/5514
30.5 / 100

Varování
navijáky nesmí být použity pro zdvihání nebo přemísťování osob. 
Výkon navijáku včetně rychlosti lana v tahu, je založen na první vrstvě lana na bubnu. 
Pět závitů lana je vždy nutné nechat namotané na bubnu navijáku.

Záruka
Každý nový naviják je zajištěn proti vadě zpracování a vadě materiálu. Záruka běží od data zakoupení. 
Omezená záruka na mechanické součásti, jeden (1) rok záruka na elektrické součásti, lano není zahrnuté v záruce.
 
Rozměry, mm / in:

  • 4 stejně umístěné šrouby zajistí bezproblémové pootočení spojky až o 90 ° .

Příslušenství:

Standardní příslušenství
  • Odnímatelná ovládací skříňka
  • Dálkové ovládání dosah 5 m 
  • Kabelový ovladač
  • Rolny
  • Ocelové lano, bezpečnostní hák
  • 1,8 m (6')  indikátor stavu baterie 
  • Handsaver popruh 


KATEGORIE

Máte nápad, připomínku či vzkaz? Napište nám!

Platební metody

FastCentrik® - Pronájem e-shopu

JavaScript musí být povolen